TH6619 ကိုယ်တိုင်အပိတ် ဗီရို ရေချိုးခန်းတံခါး ပတ္တာများ
သံမဏိဖြင့် ခွဲခြား၍မရသော ဟိုက်ဒရောလစ် စိုစွတ်သော ပတ္တာ (တစ်လမ်းတည်း)
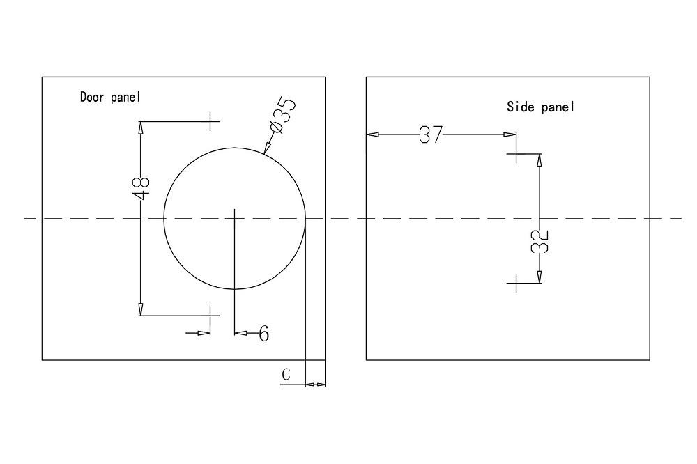
နာမည် | ရေချိုးခန်းတံခါးပတ္တာများကို ကိုယ်တိုင်ပိတ်ပါ။ |
ရိုက်ပါ။ | Clip-on |
အဖွင့်ထောင့် | 100° |
ပစ္စည်း | အစွန်းခံသံမဏိ |
ပျော့ခွေပိတ်ခြင်း။ | ဟုတ်တယ် |
အတိမ်အနက် များတော့ | -2mm/+3mm |
ပတ္တာခွက်၏ အနက် | 12mm |
တံခါးအထူ | 14-20 မီလီမီတာ |
အထုပ် | 200 pcs / တစ်ပုံး |
ဒီရေချိုးခန်းအိမ်သာအလိုလိုပိတ် တံခါးပတ္တာများသည် stainless steel ကိုအသုံးပြုသည်။ | ![]() |
![]() | အစိုဓာတ်ခံပြီး တာရှည်ခံပါတယ်။ |
စိုစွတ်သော ကမ်းရိုးတန်း အချို့အတွက် သင့်လျော်သည်။ ဧရိယာများနှင့် သံချေးတက်ခြင်းကို ကာကွယ်ရာတွင် ကောင်းမွန်သော အခန်းကဏ္ဍမှ ပါဝင်နိုင်သည်။ | ![]() |
![]() | Built-in damping, တို့နဲ့ cushioning function ကောင်းပါတယ်။ |
ဤမီးဖိုချောင်လေးလံသော ကက်ဘိနက်တံခါးပတ္တာများသည် Tallsen ကုမ္ပဏီမှ ဆင်းသက်လာသည်။ ယခု ကျွန်ုပ်တို့တွင် 13,000 စတုရန်းမီတာကျော်ရှိသော ခေတ်မီစက်မှုဇုန်တစ်ခု၊ ပရော်ဖက်ရှင်နယ်ဝန်ထမ်း 400 ကျော်၊ ထုတ်လုပ်မှုအတွေ့အကြုံ 28 နှစ်နှင့် ပထမတန်းစားထုတ်လုပ်မှုနည်းပညာများရှိသည်။
မတူညီသော မြင်ကွင်းများအတွက် မတူညီသော ပစ္စည်းများကို ရွေးချယ်ပါ။
ကျွန်ုပ်တို့သည် ဖောက်သည်များစွာနှင့် တွေ့ဆုံကြပြီး ၎င်းတို့တက်လာသည်နှင့်တပြိုင်နက် စတီးလ်ပတ္တာများကို ဝယ်ယူကြရသည်၊ အဘယ်ကြောင့်ဆိုသော် စျေးပိုကြီးလေ၊ အရည်အသွေးကောင်းလေဖြစ်မည်။ တကယ်တော့ ကိစ္စမရှိပါဘူး။ မတူညီသောပတ်ဝန်းကျင်တွင် မတူညီသောပစ္စည်းများကို ရွေးချယ်ခြင်းသည် ကုန်ကျစရိတ်စွမ်းဆောင်ရည်၏ဘုရင်ဖြစ်သည်။ ဥပမာအားဖြင့်၊ ဗီရိုများနှင့် စာအုပ်စင်များကဲ့သို့သော အစိုဓာတ်နည်းသော ပတ်ဝန်းကျင်တွင်၊ အချို့အမှတ်တံဆိပ်များ၏ အအေးခံစတီးပြားများဖြင့် ပြုလုပ်ထားသော ပတ္တာများသည် သံချေးတက်မည်မဟုတ်သော်လည်း ရေချိုးခန်း သို့မဟုတ် ဗီဒိုကဲ့သို့သော အစိုဓာတ်မြင့်မားသောပတ်ဝန်းကျင်တွင် အသုံးပြုပါက၊ သံမဏိကို အသုံးပြုရန် အကြံပြုအပ်ပါသည်။ ပတ္တာသည် ပိုမိုသင့်လျော်သည်၊ အဘယ်ကြောင့်ဆိုသော် ခိုင်ခံ့သော သံချေးတက်နိုင်မှုသည် ပရိဘောဂများ၏ ဝန်ဆောင်မှုသက်တမ်းကို တာရှည်စေနိုင်သည်။ ကျွန်ုပ်တို့သည် အတွေ့အကြုံ 28 နှစ်ကျော်ရှိသော အိမ်သုံး ဟာ့ဒ်ဝဲများကို ပရော်ဖက်ရှင်နယ် ထုတ်လုပ်သူဖြစ်ပြီး၊ အကောင်းဆုံး အရည်အသွေးရှိသော ထုတ်ကုန်များကို ထုတ်လုပ်ရန် ပထမတန်းစား ထုတ်လုပ်မှုလိုင်းရှိပြီး၊ ပရော်ဖက်ရှင်နယ်အဖွဲ့မှ သင့်အား ဝန်ဆောင်မှုပေးပါမည်။ ကျွန်ုပ်တို့၏တာဝန်မှာ- စက်မှုလုပ်ငန်း၏အကောင်းဆုံးအိမ်ဟာ့ဒ်ဝဲထောက်ပံ့ရေးပလက်ဖောင်းကိုတည်ဆောက်ရန် ကတိပြုပါသည်။
FAQ:
Q1: မင်းရဲ့အရည်အသွေးကိုစစ်ဆေးဖို့နမူနာကို ငါဘယ်လိုရနိုင်မလဲ။
A: ကျွန်ုပ်တို့ထံ ဆက်သွယ်ပါ၊ ကျွန်ုပ်တို့သည် သင့်အတွက် အခမဲ့နမူနာများကို စီစဉ်ပေးပါမည်။
Q2: ပုံမှန်ပေးပို့ချိန်က ဘယ်လောက်ကြာလဲ။
A: 45 ရက်ခန့်။
Q3: မင်းရဲ့ငွေပေးချေမှုစည်းကမ်းတွေကဘာလဲ။
အဖြေ- T/T မှတဆင့်၊ အော်ဒါအတည်ပြုပြီးနောက် 30% စပေါ်ငွေပေးချေမည်ဖြစ်ပြီး 70% စပေါ်ငွေကို ပို့ဆောင်ခြင်းမပြုမီ ပေးချေမည်ဖြစ်ပါသည်။
တယ်လီဖုန်း: +86-13929891220
ဖုန်း: +86-13929891220
WhatsApp: +86-13929891220
အီးမေးလ်: tallsenhardware@tallsen.com















